歡迎光臨~連雲港www.17c水表(biǎo)有限公司官方網站            English
服務熱線服務熱線:

0518-82344888

您的位置:網站首頁 產品(pǐn)中心 . 小口徑機械水表係列

小口徑機械水表係列

單流束旋(xuán)翼濕式冷水(shuǐ)表CD74TBR-(15~25)E

  CD74TBR係列水(shuǐ)表是旋翼式、單流束、濕式直讀水表(biǎo)。適宜家庭使用。銅外殼,外表麵采用抗腐蝕材(cái)料處理,無泄漏。計量等級符合GB/T 778-1996標準的B級。
工作條件:
*水壓:不大於(yú)1.6MPa(16bar)
*水溫:不超(chāo)過50℃(冷水),90℃(熱水)
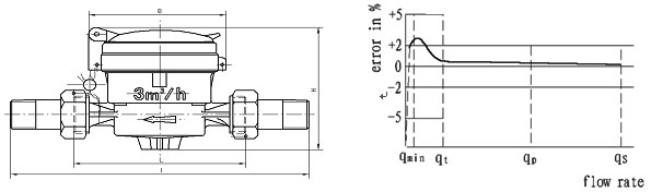
示值誤差:
從分界(jiè)流量到過載流量(liàng)為±2%(冷水)、±3%(熱水);
從(cóng)最小(xiǎo)流量到分界流量(不包括分界流量)為±5%.

遠傳表說明:                                                                                                                                                                                             此表脈衝當量(liàng)可實(shí)現100升/雙(shuāng)脈衝等,可根據客戶需要(yào)設計生產不同脈衝當量和(hé)發訊元件的遠傳(chuán)水表。

參(cān)數尺寸 SPECIFICATION AND OVERALL DIMENSIONS

名稱 DESCRIPTION

單位
UNIT

技(jì)術參數與尺寸(cùn)
HYDRAULIC DATA AND DIMENSIONS

口徑 SIZE

mm

15

20

25

inch

1/2

3/4

1

流通能力 Rated capacity-Q

m3/h

3

5

7

過載流量(qs)Overload flow-rate(qs

m3/h

3

5

7

常用流量(qp)Permanent flow-rate(qp

m3/h

1.5

2.5

3.5

分界流量(qt)Transitional flow-rate(qt

m3/h

0.12

0.2

0.28

最小流量(qmin)Minimun flow-rate(qmin

m3/h

0.03

0.05

0.07

每天最大累積用水量 Max. daily flow-Eg

m3

9

15

21

最(zuì)大工作壓(yā)力 Max. working pressure

Mpa

1.6

1.6

1.6

最大讀數 Max. reading

m3

99999.9999

99999.9999

99999.9999

最小讀數 Min. reading

m3

0.00005

0.00005

0.00005

L

mm

110

130

160

I

mm

190

230

280

H

mm

89

89

89

B

mm

88

88

88


    外形尺寸(cùn) OVERALL DIMENSIONS                  流量(liàng)誤差曲線 FLOW-ERROR CURVE


上一條下一(yī)條
掃描二維碼關(guān)注我(wǒ)們關(guān)閉
二維碼
网站地图 www.17c-www17c.com-17.com.羞羞视频-17c.com在线观看完整版免费 网站地图 www.17c-www17c.com-17.com.羞羞视频-17c.com在线观看完整版免费