
APPLICATION: MEASURING THE TOTAL VOLUME OF COLD POTABLE WATER PASSING THROUGH THE METER,IT'S SUITABLE FOR DOMESTIC USE.
WORKING CONDITION:
THE MAX.ADMISSIBLE WATER PRESSURE: 1.6MPa.
WATER TEMPERATURE: UP TO 50℃
SPECIALITY:
*LARGE MEASURING RANGE, HIGH FLOW ACCURACY.
*STEADY ERROR CURVE.
*PLASTIC BODY AND LONG SERVICE LIFE
*RELIABLE OPERATION.
*MAGNETIC SHIELD PROTECTION.
*NEGLIGIBLE HEAD LOSS AT WORKING FLOW – RATES.
*SEALED REGISTER WITHOUT ANY CONDENSATION PROBLEM.
Maximum permissible error:
Between qt (included) and qs is ±2%;
Between qmin and qt (excluded) is ±5%.
NOTE: The technical data conform to ISO4064 standard, class B. FLOW-ERROR CURVE

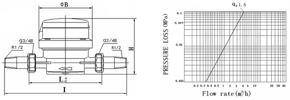
SPECIFICATION AND OVERALL DIMENSIONS
|
Description |
Unit |
Hydraulic data and dimensions |
|
Nominal size |
mm |
15 |
|
inch |
1/2 |
|
Overload flow-rate (qs) |
m3/h |
3 |
|
Permanent flow-rate (qp) |
m3/h |
1.5 |
|
Transitional flow-rate (qt) |
l/h |
120 |
|
Minimum flow-rate (qmin) |
l/h |
30 |
|
Min. reading |
l |
0.05 |
|
Max. reading |
m3 |
99999 |
|
Nominal pressure |
MPa |
1.6 |
|
ΔP at the qs |
MPa |
0.08 |
|
L |
mm |
110 |
|
I |
mm |
190 |
|
H |
mm |
86 |
|
B |
mm |
81 |
|
Weight |
Without connections |
Kg |
0.32 |
|
With connections |
0.49 | OVERALL DIMENSIONS PRESSURE LOSS CURVE
 |