DN15-50mm, threads end
Multi-jet
Single-jet
Rotary Piston
Bypass
DN50-500, Flanged end
Accessories
 
Multi-jet
 
TKTAR-15~50E (cold water, iron body)
 

APPLICATION: MEASURING THE TOTAL VOLUME OF COLD POTABLE WATER PASSING THROUGH THE METER,IT'S SUITABLE FOR DOMESTIC USE.
 
OPERATING CONDITION:
* THE MAX.ADMISSIBLE WATER PRESSURE: 1.6MPa.
* WATER TEMP.: UP TO 50℃
 
SPECIALITY:
* LARGE MEASURING RANGE, HIGH FLOW ACCURACY.
* STEADY ERROR CURVE.
* LONG LIFE OF SERVICE
* RELIABLE OPERATION.
* MAGNETIC SHIELD PROTECTION.
* NEGLIGIBLE HEAD LOSS AT WORKING FLOW – RATES.
* SEALED & VACCUMIZED REGISTER WITHOUT ANY CONDENSATION PROBLEM.

Maximum permissible error:
Between qt (included) and qs is ±2%;
Between qmin and qt (excluded) is ±5%.
NOTE: The technical data conform to ISO4064 standard, class B.
FLOW-ERROR CURVE
SPECIFICATION AND OVERALL DIMENSIONS
Description
Unit

Hydraulic data and dimensions

Nominal size
mm

15

20

25

32

40

50

inch

1/2

3/4

1

11/4

11/2

2

Overload flow-rate (qs)
m3/h

3

5

7

12

20

30

Permanent flow-rate (qp)
m3/h

1.5

2.5

3.5

6

10

15

Transitional flow-rate (qt)
l/h

120

200

280

480

800

3000

Minimum flow-rate (qmin)
l/h

30

50

70

120

200

450

Min. reading
l

0.05

0.05

0.05

0.05

0.05

0.05

Max. reading
m3

99999

99999

999999

999999

999999

999999

Nominal pressure
MPa

1.6

1.6

1.6

1.6

1.6

1.6

ΔP at the qs
MPa

0.06

0.08

0.05

0.09

0.085

0.085

L
mm

165

195

225

230

245

300

I
mm

259

299

345

354

373

430

H
mm

112

114

120

125

155

155

B
mm

99

99

104

104

125

125

G
inch

G3/4B

G1B

G11/4B

G11/2B

G2B

G21/2B

R
inch

R1/2

R3/4

R1

R11/4

R11/2

R2


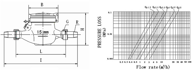
OVERALL DIMENSIONS                                                                  PRESSURE LOSS CURVE

 

  All rights reserved: Lianyungang Lianli Water Meter Co.,Ltd. Tel: 0086-518-82341113 Fax: 0086-518-82340789
Add: Lianyungang economic and technological development zone, jiangsu, china
P.C: 222047 E-mail : lianli@zjser.com Support: Sooba.cn 
网站地图 www.17c-www17c.com-17.com.羞羞视频-17c.com在线观看完整版免费